
DT301系列智能濃度/密度變送器為smar公司出品,產品穩定性、精度和可靠性在國內具有很好口碑,國產在線密度計很多也是在學習和模仿DT301系列智能濃度/密度變送器基礎上發展起來的。DT301在線密度計說明書向使用者提供產品安裝、運行、組態和維護方面的詳盡說明,同時DT301智能濃度/密度變送器說明書也向用戶提供DT301I工業型在線密度計選型和DT301S衛生型在線密度計選型表,方便大家選型。

smar公司衛生型密度計/濃度計DT301S分解圖-源自DT301在線密度計說明書

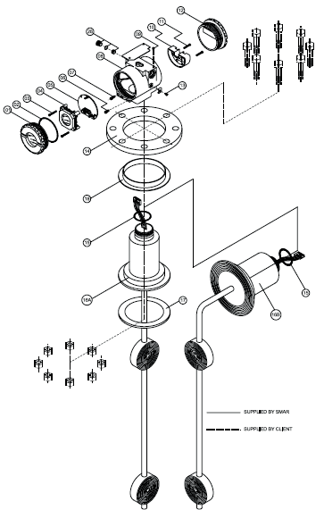
smar公司工業型密度計/濃度計DT301I分解圖-源自DT301在線密度計說明書
說明
1、DT301智能濃度/密度變送器說明書為PDF格式。建議使用Adobe Reader PDF閱讀器!
2、如果本頁提供下載的“smar公司DT301在線密度計說明書”不能順利下載或打開,請及時通過網頁上的客服QQ441910844或電話0871-65127691聯系,昌暉將以郵件方式發送SWP系列數字儀表選型樣本給您!
3、DT301智能濃度/密度變送器選型http://zyswsm.com/product/2136.html,選型請前往!






