計時器/定時器定時器特點
◆ 6位LED數碼顯示,顯示范圍寬
◆ 計時器/定時器具備遞增和遞減兩種計時方式
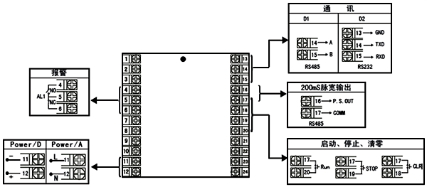
◆ 具備“定時報警”、“計時報警”功能,帶LED報警燈指示;計時報警時,可選200ms脈寬同步輸出,同時儀表將自動清零且停止報警,并重新開始計時
◆ 計時器/定時器支持RS485、RS232串行接口,采用標準MODBUS RTU通訊協議
◆ 具備儀表按鍵啟動、停止、清零功能操作,也可外接啟動、停止、清零功能按鈕
◆ 計時器/定時器的輸出、電源、通訊相互之間采用光電隔離技術
◆ 計時器/定時器具備3種外形尺寸及樣式供用戶選擇
◆ 面板輕觸式按鍵設置,參數設置斷電永久保存 計時器/定時器面板

技術參數
顯示位數:0~999999
計時器時間范圍:99.59.59.99(時.分.秒.毫秒)
測量精度:10ms
報警輸出:繼電器,容量:AC220V/2A,DC24V/2A
通訊:RS485或RS232,MODBUS RTU協議
電源:DC20V-29V;AC/DC100V-250V
功耗:5W
工作溫度:-10~50℃
計時器/定時器指示燈狀態指示
PV:顯示測量值;在參數設定狀態下, 顯示參數符號和參數值;A/T:計時功能時PV顯示累計時間:分、秒、毫秒,指示燈亮/定時功能時PV顯示當前時間:時、分、秒,指示燈亮;B/D:計時功能時PV顯示累計時間:時,指示燈亮/定時功能時PV顯示:年、月、日,指示燈亮;AL1:報警指示燈;AL2:備用;Hz:備用;C:備用;T:計時器指示燈亮。
◆ 注:外形尺寸為96×48mm的計時器/定時器,無Hz、C、T指示燈。
計時器/定時器參數功能

◆ 注:以上參數為儀表全部參數,如果不是全功能儀表,則未選功能所對應的參數將不予顯示。
例1:選擇計時功能時,參數“T1”和“T2”、“T3”無效,并且進入菜單設置時不顯示“T1”和“T2”、“T3”。
例2:選擇定時功能時,參數“A-MODE”無效,并且進入菜單設置時不顯示“A-MODE”。

計時器/定時器選型
計時器 YR-GFTA①②-③④-⑤-⑥-⑦
定時器 YR-GFTB①②-③④-⑤-⑥-⑦
①計時器/定時器外形尺寸
[9]:96×96mm(開孔尺寸:92×92mm)
[8]:160×80mm(開孔尺寸:152×76mm)
[4]:96×48mm(開孔尺寸:92×45mm)
②控制作用
[03]:計時/定時+1限個報警
③計時器通訊方式
[0]:無通訊
[2]:RS232
[8]:RS485
④計時器脈寬輸出
[0]:無輸出
[1]:200ms脈寬輸出
⑤第一報警
[H]:上限報警
[L]:下限報警
⑥外部事件輸入
[N]:無外接按鈕
[Y]:外接啟動、停止、清零按鈕
⑦計時器電源
[T]:交流/直流100-240V供電
[W]:DC24V供電
計時器/定時器接線圖

