

技術指標
輸入信號:熱電阻(2種)和熱電偶(10種)可設置
傳輸精度:

說明:①以上精度是在環境溫度20℃±2℃的條件下測試所得
②輸出精度“%”是相對于設定的量程范圍
③熱電偶測量時還需要加上冷端補償誤差
冷端補償溫度范圍:-20~70℃
補償精度:±1℃
輸出信號:二線制4-20mA或二線制4-20mA+HART協議
輸出負載電阻:RL≤(Ue-12)/0.022
上限、下限溢出報警輸出電流:可設置
供電電壓:DC12~40V
溫度漂移:0.0075%FS/℃
響應時間:700ms達到最終值的90%
絕緣強度(輸入與輸出之間):1500V(1min,無火花)
絕緣電阻(輸入與輸出之間):≥100MΩ(500VDC時)
防護等級:IP65
電磁兼容:符合GB/T18268工業設備應用要求(IEC61326-1)
質保:24個月

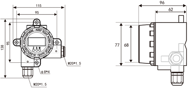
YR-ER233A一體式現場顯示隔離溫度變送器外形圖


YR-ER233B壁掛式現場顯示隔離溫度變送器外形圖


YR-ER233現場顯示隔離溫度變送器接線圖
①四線制4-20mA輸出+RS485通訊接線圖

②二線制4-20mA輸出或者二線制4-20mA輸出+HART通訊接線圖

YR-ER233現場顯示隔離溫度變送器選型表
YR-ER233①-②③④⑤-⑥/⑦
①外殼結構
[A]:一體式
[B]:壁掛式
②輸入信號類型
[P]:Pt100熱電阻
[C]:Cu50熱電阻
[B]:B分度號熱電偶
[S]:S分度號熱電偶
[K]:K分度號熱電偶
[E]:E分度號熱電偶
[T]:T分度號熱電偶
[J]:J分度號熱電偶
[N]:N分度號熱電偶
③輸出類型
[0]:二線制4-20mA輸出
[1]:二線制4-20mA輸出+HART通訊
[2]:四線制4-20mA輸出+RS485通訊
④傳感器輸入端連接螺紋
[G00]:殼體M27×2內螺紋
[G01]:殼體M20×1.5內螺紋+M20×1.5外螺紋尼龍格蘭頭(標配)
[G02]:殼體M20×1.5內螺紋+M20×1.5外螺紋金屬格蘭頭
[X]:定制螺紋
⑤電氣連接螺紋
[G00]:殼體M20×1.5內螺紋
[G01]:殼體M20×1.5內螺紋+M20×1.5尼龍格蘭頭(標配)
[G02]:殼體M20×1.5內螺紋+M20×1.5金屬格蘭頭
[R00]:殼體G1/2內螺紋
[R01]:殼體G1/2內螺紋+G1/2外螺紋尼龍格蘭頭
[R02]:殼體G1/2內螺紋+G1/2外螺紋金屬格蘭頭
[A00]:殼體1/2NPT內螺紋
[A01]:殼體1/2NPT內螺紋+1/2NPT外螺紋尼龍格蘭頭
[A02]:殼體1/2NPT內螺紋+1/2NPT外螺紋金屬格蘭頭
⑥溫度變送器量程下限
[*]:數字
⑦溫度變送器量程下限
[*]:數字壁掛式帶顯示隔離溫度變送器選型舉例:
YR-ER233B-P0G01G01-0/300
