
單晶硅衛生型壓力變送器原理
1、中心傳感單元采用全球領先高精度硅技術,鉑金級精度(YR-ER102-SA精度為±0.05%;YR-ER102-SB精度為±0.075%;YR-ER102-SC精度為±0.1%)
2、單晶硅衛生型壓力變送器YR-ER102-S為專利雙過載保護膜片設計
3、單晶硅衛生型壓力變送器優異的靜壓性能,遠非同場合電容式產品所能媲比,靜壓誤差最優可控制在±0.05%/10MPa以內
4、單晶硅衛生型壓力變送器最高100:1的量程比調節
5、單晶硅衛生型壓力變送器電磁兼容性(EMC)符合GB/T 18268.1-2008
6、極高穩定性、可靠性和極低溫度漂移,衛生型壓力變送器零點、精和重復性度多年不變,長期運行免維護
7、三種報警電流輸出模式用戶可選擇
8、衛生型壓力變送器可自由編程組態,總線標準4-20mA/HART輸出
單晶硅衛生型壓力變送器性能規格
◆單晶硅衛生型壓力變送器參考精度(包括從零點開始的線性、回差和重復性):
YR-ER102-SA:±0.05%;若TD>10(TD=最大量程÷調節量程),則為:±(0.005×TD)%;
YR-ER102-SB:±0.075%;若TD>10(TD=最大量程÷調節量程),則為:±(0.0075×TD)%;
YR-ER102-SC:±0.1%;若TD>10(TD=最大量程÷調節量程),則為:±(0.01×TD)%;
◆環境溫度影響(無毛細管):-20~+65℃時總影響量為:±(0.15×TD+0.05)%×Span;-40~-20℃時總影響量為:±(0.2×TD+0.05)%×Span
◆過范圍影響:±0.075%×Span
◆穩定性:±0.1%×Span/3年
◆電源影響:±0.001%/10V(12-42VDC),可忽略不計
單晶硅衛生型壓力變送器功能規格
◆量程和范圍

◆量程限:在量程的上下限范圍內,可以任意調整。建議選擇量程比盡可能低的量程代碼,以優化性能特征
◆零點設置:零點和量程可以調節到上面表中測量范圍內的任何值,只要:標定量程≥最小量程
◆安裝位置影響:直接安裝式變送器可以通過卡盤直接安裝,位置偏差將產生可校正的零位偏移。表殼最大可旋轉360°,定位螺釘可將其固定于任何位置。帶毛細管變送器,如果卡盤低于變送器本體,則開盤與本地區本體的最大高度落差應<5米。當工作壓力為低于100kPa絕壓時,變送器本體必須低于卡盤。毛細管的最小彎曲半徑為75mm,嚴禁纏繞
◆變送器輸出:二線制,4-20mA+HART輸出,數字通訊,HART協議加載在4-20mADC信號上
◆輸出信號極限:Imin=3.9mA,Imax=20.5mA
報警電流:低報模式(最小):3.7mA;高報模式(最大):21mA;不報模式(保持):保持故障前的有效電流值;報警電流標準設置:高報模式
◆響應時間:放大器部件阻尼常數為0.1s;傳感器時間常數為0.1-1.6s,取決于量程及量程比;附加的可調時間常數為:0.1-60s
◆預熱時間:<15s
◆環境溫度:-40~+85℃;帶液晶顯示、氟橡膠密封圈時-40~+65℃
◆儲存溫度/運輸溫度:-50~+85℃;帶液晶顯示時-40~+85℃
◆衛生型壓力變送器防爆性能:NEPSI隔爆許可:ExdⅡCT6;NEPSI本安許可:ExiaⅡCT4;允許使用溫度為-40~+65℃
◆單晶硅衛生型壓力變送器電磁兼容性(EMC)

高精度單晶硅衛生型壓力變送器安裝
◆電源及負載條件:電源電壓為DC24V,R≤(Us-12)/Imax kΩ;其中Imax=23mA、最大電源電壓:42VDC、最小電源電壓:12VDC,15VDC(背光液晶顯示);數字通訊負載范圍:250-600Ω
◆電氣連接:M20×1.5電纜密封扣,接線端子適用于0.5-2.5mm2的導線
◆過程連接:標準過程連接:DN25/DN40/DN50/DN76.1衛生型接口
衛生型壓力變送器物質規格
◆材質:測量膜盒:不銹鋼316L;膜片:不銹鋼316L、哈氏合金C
◆過程連接:不銹鋼316
◆填充液:硅油、植物油
◆壓力變送器外殼:鋁合金材質、外表噴涂環氧樹脂
◆外殼密封圈:丁晴橡膠(NBR)
◆銘牌:不銹鋼304
◆單晶硅衛生型壓力變送器重量:1.6kg(無液晶顯示、安裝支架、過程連接)
◆外殼防護等級:IP67
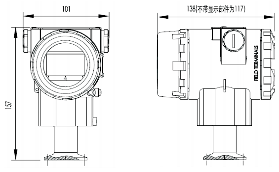
單晶硅衛生型壓力變送器外形尺寸
1、帶毛細管衛生型變送器安裝方式和外形尺寸
2、直接安裝式衛生型變送器的外形尺寸

單晶硅衛生型壓力變送器電氣接線圖

衛生型壓力變送器過程連接
單晶硅衛生型壓力變送器型號和規格代碼表
YR-ER102-S①②③④⑤⑥⑦⑧⑨⑩/注
①精度
[A]:±0.05%精度單晶硅衛生型壓力變送器
[B]:±0.75%精度單晶硅衛生型壓力變送器
[C]:±0.1%精度單晶硅衛生型壓力變送器
②高精度單晶硅衛生型壓力變送器量程
[B]:0-3kPa~6kPa(0-300~600mmH2O)/(0-30~60mbar)
[C]:0-4kPa~40kPa(0-400~4000mmH2O)/(0-40~400mbar)
[D]:0-10kPa~250kPa(0-1~25mH2O)/(0-100~2500mbar)
[F]:0-100kPa~3MPa(0-10~300mH2O)/(0-1~30bar)
③衛生型壓力變送器膜片材質/填充液
[A]:不銹鋼316L/硅油
[C]:哈氏合金C/硅油
[X]:不銹鋼316L/植物油
[Y]:哈氏合金C/植物油
④單晶硅衛生型壓力變送器過程連接
[A]:衛生型接口DIN 32676 DN25/ISO 2852 DN25
[C]:衛生型接口DIN 32676 DN50/ISO 2852 DN51
[D]:衛生型接口ISO 2852 DN76.1
[E]:衛生型接口DIN 1185 DN40
[F]:衛生型接口DIN 1185 DN40
⑤衛生型壓力變送器毛細管長度[1]
[0]:無毛細管
[1]:1m
[2]:2m
[3]:3m
[4]:4m
[5]:5m
[6]:6m
[S]:特殊長度
⑥單晶硅衛生型壓力變送器安裝支架
[N]:無[3]
[1]:不銹鋼
[2]:鍍鋅碳鋼 (標準配置)
⑦液晶顯示
[N]:YR-ER101-B/C無顯示表頭
[1]:YR-ER101-B/C帶液晶表頭
[2]:YR-ER101-B/C帶背光液晶表頭
⑧衛生型壓力變送器防爆選項
[N]:基本型
[A]:本安型單晶硅衛生型壓力變送器
[D]:隔爆型單晶硅衛生型壓力變送器
⑨衛生型壓力變送器現場安裝位號標牌
[N]:無
[1]:位號位于銘牌內
[2]:懸掛式不銹鋼位號標牌
⑩文件要求
[N]:無
[1]:檢測報告
[2]:檢測報告+材質報告
[注1]:毛細管的長度與過程接口的對應關系表(X為不建議)
[注A]:/附加規格選型代碼

[注3]:直接安裝式不需要選安裝支架,則第6項選N
單晶硅衛生型壓力變送器
例:YR-ER102-SCCAA0N1N1N
[YR-ER102-S]:單晶硅衛生型壓力變送器
[C]:±0.1%精度單晶硅衛生型壓力變送器
[C]:衛生型壓力變送器量程為0-2kPa~40kPa(0-200~4000mmH2O)/(0-20~400mbar)
[A]:衛生型壓力變送器觸液部分膜片材質為不銹鋼316L,填充液為硅油
[A]:過程連接接口:衛生型接口DIN 32676 DN25/ISO 2852 DN25
[0]:衛生型壓力變送器無毛細管,直接安裝式
[N]:衛生型壓力變送器無安裝支架
[1]:衛生型壓力變送器帶液晶表頭
[N]:基本型(非防爆衛生型壓力變送器)
[1]:衛生型壓力變送器安置位置位號位號位于銘牌內
[N]:無文件要求
