熱電偶信號報警設定器與熱電偶輸入、帶報警和帶4-20mA變送輸出的三位控制儀功能一樣,熱電偶信號報警設定器精度更高!

熱電偶信號報警設定器技術參數
1、報警設定器精度:0.1%FS
2、報警設定器電源:20V-35DCV供電
3、輸入信號:一路熱電偶信號(儀表內置精密自動冷端補償電路)
4、輸出信號:一路4-20mA輸出(負載能力0-500Ω)
5、報警輸出數量:2路繼電器報警(訂貨提出,可組合為上限/下限報警、上上限/上限報警和下限/下下限報警三種報警模式)
報警響應時間:≤20ms
繼電器觸點容量:250VAC/2A;30VDC/2A
負載能力:阻性負載
6、耐壓強度:500VDC時100MΩ以上,1500VAC/分鐘
7、工作溫度:-25~70℃
8、工作濕度:<90%RH(無凝結水)
9、功耗:約2W

熱電偶信號報警設定器如何修改報警設定值
熱電偶信號報警設定器使用昌暉儀表專用編程軟件和專用編程線在PC機上可設置儀表輸入信號類型、變送器量程、報警值及報警回差。校準熱電偶信號報警設定器時,用過程校驗儀模擬熱電偶毫伏信號經過零度恒溫器后接入熱電偶信號報警設定器輸入端子(參照熱電偶信號報警設定器校驗接線圖),儀表送入需要報警的溫度值對應的毫伏信號后,對儀表零點、量程和報警進行校準。

熱電偶信號報警設定器外形尺寸
YR9001A外形尺寸:18.3×113×121mm
YR9001A整機重量:200g
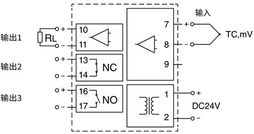
熱電偶信號報警設定器接線圖

◆儀表輸入接線
①熱電偶毫伏正極接報警設定器7#端子
②熱電偶毫伏負極接報警設定器8#端子
◆YR9001A報警設定器輸出接線
①4-20mA輸出接線
信號報警設定器10#端子為4-20mA輸出正極;信號報警設定器11#端子為4-20mA輸出負極
② 熱電偶報警設定器報警輸出
熱電偶信號報警設定器13#和14#端子為報警輸出ALM1;信號報警設定器16#和17#端子為報警輸出ALM2
◆YR9001A報警設定器電源接線
儀表為DC24V供電,信號報警設定器1#端子接DC24V正極,信號報警設定器2#端子接DC24V負極
熱電偶信號報警設定器選型表
YR9001A-①-②-③-④⑤-⑥/⑦
①熱電偶輸入類型
[B]:B分度號熱電偶
[S]:S分度號熱電偶
[K]:分度號熱電偶
[E]:E分度號熱電偶
[T]:分度號熱電偶
[J]:J分度號熱電偶
[W]:Wre3-25鎢錸熱電偶
②導軌式熱電偶信號報警設定器輸出(OUT1)
[GN]:一路4-20mA輸出,輸出阻抗≤500Ω,標準出廠配置
③輸入帶浪涌保護
[N]:不帶浪涌保護
[LP]:浪涌保護
④第一報警輸出
[H]:上限報警(常開觸點)
[L]:下限報警(常開觸點)
⑤第二報警輸出
[H]:上限報警(常開觸點)
[L]:下限報警(常開觸點)
⑥導軌式溫度變送器量程下限
[*]:數字
⑦導軌式溫度變送器量程下限
[*]:數字
選型舉例
◆上限/下限報警輸出K熱電偶信號報警設定器:YR9001A-K-GN-N-HL-0/1300
◆上上限/上限報警輸出K熱電偶信號報警設定器:YR9001A-K-GN-N-HH-0/1300
◆下限/下下限報警輸出K型熱電偶信號報警設定器:YR9001A-K-GN-N-LL-0/1300
◆上限/下限報警輸出S熱電偶信號報警設定器:YR9001A-S-GN-N-HL-0/1600
◆ 上限/上限報警輸出S熱電偶信號報警設定器:YR9001A-S-GN-N-HH-0/1600
◆下限/下下限報警輸出S熱電偶信號報警設定器:YR9001A-S-GN-N-HH-0/1600
