雙閉環比值構成(相乘方案)如下圖所示。

比值控制系統特點
1、開環比值控制系統
開環比值控制系統對副流量無抗干擾能力;該方案僅適用于副流量的管線壓力比較穩定,對比值精度要求不高的場合。優點:結構簡單、投資少。

2、單閉環比值控制系統
單閉環比值控制系統能實現副流量跟隨主流量的變化,且可以克服副流量本身擾動對比值的影響,主、副流量的比值較為精確。該方案結構較簡單,儀表投資較少,被大量應用于生產過程控制。缺點:單閉環比值控制系統雖能保持兩種物料量的比值一定,但主流量不受控制,當主流量變化時,總物料量會跟隨變化,故在總物料量要求控制的場合,單閉環比值系統就不能滿足要求。

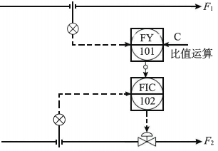
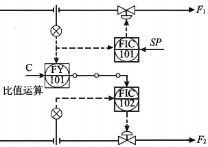
3、雙閉環比值控制系統
雙閉環比值控制系統在單閉環比值控制系統的基礎上增設主流量控制回路,能夠克服主流量干擾的影響,能夠實現精確地流量比值關系。優點:升降負荷比較方便,當緩慢改變主流量控制器的給定值就可升降主流量,副流量會主動跟蹤主流量的變化,并保持比值不變。缺點:結構較復雜,使用儀表較多,投資較高,投運及維護較煩瑣。

4、可變比值控制系統
可變比值控制系統的比值是變化的,是以比值控制系統作為副回路的串級控制系統。特點是比值系統中所需控制的兩種物料的比值隨第三個參數變量的需求而發生變化;一般為控制器的輸出;具有較強克服副流量回路干擾能力。

比值控制系統適用性
①開環比值控制系統:該方案無法控制副流量的波動,比值精度低,已很少在生產過程中使用。
②單閉環比值控制系統:適用于主流量在工藝上不允許或不可進行控制的場合;不適合負荷變化幅度較大、干擾較大的場合。
③雙閉環比值控制系統:適用于主流量干擾頻繁、工藝上不允許負荷有較大波動或工藝上經常需要升降負荷的場合。
④可變比值控制系統:適用于生產過程中需要由另一個控制器進行調節比值或當采用成分、質量偏差作為控制指標需調節比值的場合。
比值控制系統應用注意
①主流量、副流量的選擇:將主要物料的流量作為主流量;副流量必須可測且可控;從工藝過程的安全要求來考慮。
②開方運算的應用:在采用差壓儀表測量流量時,當被控的比值要求不高且負荷變化不大的場合,可不采用開方運算。
③溫度壓力補償:當采用差壓式流量計測量氣體流量時,對溫度和壓力較高、變化較大、比值控制精度要求高的場合,應對氣體流量進行溫壓補償。
④主副流量的邏輯提降負荷:在比值控制系統中,副流量的變化始終是落后于主流量。在需要生產負荷經常提降時,且要求在提降過程中主副流量的比值要保持在一定值或有次序要求,應設置相關邏輯提降運算單元。
實現比值控制離不開性能優越的比值控制器,昌暉儀表專業生產用于工業流程控制的PID調節器,大家可到產品中心去看看。
相關閱讀
◆細說比值控制和前饋控制
◆怎樣通過口訣來認識比值控制系統的比值系數計算方法
