氣缸在工業生產線上較常見,儀表工了解氣缸種類、氣缸各項指標的計算、氣動電磁閥的流量曲線的識別和選型和氣動回路設計相關知識,在生產線維護和維修過程中會有幫助。
1、氣缸的種類
氣缸是將壓縮空氣的壓力能轉換成機械能,驅動機構實現往復直線運動、擺動或回轉運動。
①標準氣缸
標準氣缸是常見的起動設備,適合場景廣泛,結構簡單,價格實惠。有如下優點:
1)自調節氣動終端位置緩沖、標準型材,帶兩個傳感器槽、固定附件品種豐富,可以滿足幾乎任何安裝情況。
2)可選配帶鎖緊和不帶鎖緊,帶鎖氣缸可在任意位置停止。
3)最大缸徑可達125mm,行程也可達到2800mm,可定制加長活塞桿。

②圓形氣缸。
具有相同行程(行程最長200mm,缸徑最大25mm),但結構更薄,長度更短,非常適合狹小的安裝空間(缸徑最多縮小了40%,總長度最多縮短了3.5cm)。重量輕、自調節氣動終端位置緩沖,并可以自適應負載和速度變化進行最優調節,適合低中速,低負載和低沖擊場合。

③緊湊型氣缸
重量輕,安裝空間小,無需安裝附件即可直接安裝在夾具和設備上(最大缸徑63mm,最長行程75mm);小型運動的理想選擇、帶內螺紋或外螺紋的活塞桿。

④導向桿氣缸
具有精確的導向和極大的扭矩和側向力吸收以及堅固緊湊的結構。它適用于夾緊、提升和阻擋應用;驅動器和導軌位于一個殼體中、扭矩和剪切載荷高、滑動導軌或循環滾珠軸承導軌;基本型氣缸行程可達200mm,缸徑最大做可做到100mm;選型時,需注意載荷重心不在中心導致的彎矩是否滿足要求。

⑤無桿氣缸
無桿氣缸分為磁耦式與機械式。

1)磁耦式無桿氣缸
磁耦式氣缸運動是利用空心活塞桿內的永磁鐵帶動活塞桿外的另一個磁鐵運動來實現的。
磁耦無桿氣缸優點:
a、整體安裝尺寸小,軸向空間小,大約比標準氣缸節省軸向空間44%;
b、磁耦無桿氣缸推力和拉力兩端活塞面積相等,因此推力和拉力相等,容易實現中間定位;
c、因為磁偶無桿氣缸外部滑塊沒有動密封件,無外部泄漏。
磁偶無桿氣缸缺點:
a、承受負載較小,適合裝載小型工件或機械手來動動作,如果速度快(500mm/s以上),負載高時內外磁環易脫開。需要查詢其質量與速度的特性曲線;
b、磁耦基本型來回動作時,可能會出現滑塊轉動,必須加導桿導向裝置,或者選用帶導桿型磁耦無桿氣缸;
c、標準氣缸的內徑與行程之比一般不大于1/15,而無桿氣缸內徑與行程之比可達1/100左右,行程最長生產到3m。
2)機械式無桿氣缸
無桿氣缸缸筒軸向開有槽,活塞與滑塊在槽上部移動。密封帶和防塵不銹鋼帶固定在兩端缸蓋,活塞架穿過槽,活塞與滑塊連成一體,帶動執行機構實現往復運動。
機械式無桿氣缸的優點:
a、與普通氣缸相比,在同樣行程下可縮小1/2安裝位置;
b、不需設置防轉機構;
c、適用于缸徑10~80mm,最大行程在缸徑≥40mm時可達7m;
d、速度高,標準型可達0.1~0.5m/s,高速型可達到0.3~3.0m/s。
機械式無桿氣缸的缺點:
a、密封性能差,容易產生外泄漏。在使用三位閥時必須選用中壓式;
b、受負載力小,為了增加負載能力,必須增加導向機構。

⑥滑臺氣缸
滑臺氣缸分為單軸滑臺和雙軸滑臺。單軸滑臺氣缸由于采用了剛度好的直線導軌,其允許力矩最多提高了2倍;雙軸滑臺氣缸由兩個雙桿雙作用氣缸并聯構成,動作原理與普通氣缸相同,兩個氣缸腔室之間通過中間缸壁上的導氣孔相通,以保證兩個氣缸同步動作。雙桿滑臺氣缸的特點是缸的輸出力增加一倍,抗彎曲抗扭轉能力強、承載能力強、外形輕巧、節省安裝空間。
滑臺氣缸缺點:
1)價格相對較貴;
2)運動精度較差,無法滿足一些高精度的工業要求。
3)工作時會發出較大的噪聲,不適用于噪聲敏感的生產環境。
4)耗損件較多,需要定期更換,維護成本較高。

⑦擺動氣缸
擺動氣缸又稱擺動氣馬達,是輸出軸作往復擺動的一種氣動執行元件。
擺動氣缸的結構較連續旋轉的氣馬達結構簡單,但擺動氣馬達對沖擊的耐力小,故常需采用緩沖機構或安裝制動器以吸收載荷突然停止等產生的沖擊載荷。
按結構不同,擺動氣缸可分為葉片式和活塞式兩類。工作時,前者靠壓縮空氣驅動葉片帶動傳動軸(輸出軸)往復擺動;后者靠壓縮空氣驅動活塞直線運動帶動傳動軸(輸出軸)擺動;擺動氣缸的擺動角度可以在360°以內,也可大于360°,常用擺動氣缸的最大擺動角度有90°、180°、270°等三種規格。

⑧旋轉下壓氣缸
旋轉夾緊氣缸由于在活塞或活塞桿上開有導軌槽,在氣壓作用下,導向件在導軌槽內,迫使活塞(桿)帶動夾緊手指完成擺動和直線組合動作。一般有向左或向右擺動兩種形式。旋轉夾緊氣缸具有結構簡單堅固、使用壽命長、安裝維護費用低、擺動方向及角度便于調控等特點。
2、氣缸各項指標的計算
氣缸的常用主要性能參數:輸出力和效率、速度、使用壓力范圍、耗氣量。
①氣缸受力計算:


P表示氣缸充氣壓力,D表示缸徑,d表示活塞桿的大小; 氣缸的效率η隨缸徑及工作壓力的增大而增大,通常η=0.8~0.9。
②氣缸速度計算:
由于氣體的可壓縮性,欲使氣缸保持準確的運動速度比較困難,故其速度通常指平均速度。可按下式計算:
V=L/t
L為為氣缸行程; t為為氣缸的執行動作時間。
標準氣缸在一般工作條件下的使用速度范圍大多是50~500mm/s。
1)若速度小于50mm/s,由于氣缸摩擦阻力的影響增大,加上氣體的可壓縮性,不能保證活塞做平穩移動,會出現時走時停的爬行現象。
2)若速度大于1000mm/s,氣缸密封件的摩擦生熱加劇,加速密封件磨損,造成漏氣,壽命縮短,還會加大行程末端的沖擊力,影響氣缸的壽命。
3)欲使氣缸在很低速度下工作,可采用低速氣缸。但缸徑越小,低速性能越難保證,這是因為摩擦阻力相對氣壓推力影響較大的緣故,通常缸徑為32mm的氣缸可在低速5mm/s無爬行運行。
4)如需更低的速度或在變載的情況下,要求氣缸平穩運動,則可使用氣液阻尼缸或通過氣液轉換器,利用液壓缸進行低速控制。
5)如需氣缸在更高速度下工作,需加長缸筒長度、提高缸筒的加工精度,改善密封件材質以減小摩擦阻力,改善緩沖性能等,同時要注意氣缸在高速運動終點時,確保緩沖來減小沖擊。
③氣缸使用壓力范圍:
氣缸使用壓力范圍是指保證氣缸正常工作的供給壓力范圍。雙作用氣缸的工作壓力范圍一般為0.05~0.7MPa,而單作用氣缸一般為0.15~0.7MPa,耐壓一般在1MPa;在確定氣缸工作壓力范圍時,還應考慮換向閥的工作壓力范圍,一般換向閥工作壓力范圍為0.15~0.8MPa或0.25~1MPa(也有硬配閥為0~1MPa)?。
④氣缸最大耗氣量計算:
按照氣缸運行時的最大速度來計算需要的耗氣量。
⑤氣管的流量計算:
0.5MPa壓力下氣管流量近似公式:Q=CV×1000≈55.55S(L/min),S表示氣管內徑截面積,前提條件是在氣管長度不長的情況下。
如果在使用過程中,氣管(12mm含以下)到執行元件的距離很長8m以上,如果執行元件的最大耗氣量很大,那么氣管會產生節流現象,唯一的辦法就是加大氣管直徑。
3、氣動電磁閥的流量曲線的識別和選型
具體有哪些電磁閥種類,中封電磁閥的使用在氣缸使用過程中是最為常用的,因為中封電磁閥可在突然斷氣的情況下,保證運動機構停止,避免造成人員損傷。
聲速流導C和臨界壓力比b來表示流量特性;




Q:空氣流量[dm3/min(ANR)]、SI單位的dm3(立方分米)與l(升)的關系是1dm3=1l。
C:聲速流導[dm3/(s.bar)]
b:臨界壓力比[一]
P1:上游壓力[MPa]
P2:下游壓力[MPa]
t:溫度[℃]

以三位五通電磁閥SY3320-5DZD-M5為例,查表可知其C=0.48dm3/(s·bar),b=0.46;
按照壅塞流動計算公式可以知道最大流量Qmax=600*0.48*(0.6+0.1)=201.6L/min;
再根據表1壓縮比0.6/0.7≈0.86,b=0.46,可以知道流量=最大流量*流量比=Q=0.7*201=140.7L/min。
三聯件的氣流量計算

流量特性曲線的前提是進口壓力為1mpa/0.7MPa,出口壓力為0.8~0.1MPa的前提下打開開關閥門,測量所得三聯件的流量變化曲線圖。
經驗值一般取壓降值為0.05~0.1MPa的流量值為該三聯件的流量值。
如AC30-D三聯件在進口壓力1MPa,出口壓力在0.7MPa,壓降0.05~0.08MPa的情況下,那么三聯件流量值為1000L/min~2000L/min。
三聯件流量一般取最大值和最小值的平均值。
4、氣動回路設計

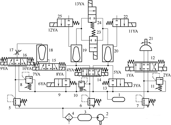
氣控式水下滑翔機氣動系統原理圖
1為低壓艙;2為空壓機;3為高壓艙;4為過濾器;5~7為減壓閥;8,10,11為溢流閥;9,13為二位二通電磁排氣開關閥;12,14為三位四通電?氣比例方向閥;15為三位三通電磁充排液換向閥;16為三位三通電?氣比例方向閥;17為節流閥;18為浮力艙;19為前姿態艙;20為后姿態艙;21為擺動氣缸;22~25為二位二通電控充排液開關閥。
根據執行元件的最大耗氣量,可以推算出電磁閥需要的流量,再根據流量和功能選擇電磁閥型號,在根據閥需要的流量和長度選擇合適大小的氣管,最后在根據耗氣量選擇出合適的三聯件。
一步步倒推,來選擇氣動元件。
5、氣缸的缺點
如果氣缸帶動的負載是變載荷,那么在運行的過程中可能會出現爬行現象,也就是突然的加速,因為氣體是可被壓縮的。
