
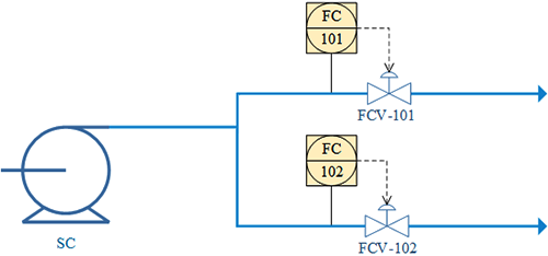
上圖是用一個大泵同時給多個分支流程供料的常見工藝。
如果是一個大的工頻離心泵,這兩個流量同時投自動,因為有相互影響,需要將兩個控制回路一個調整的快一些,另一個慢一些以實現解耦。現場很多支路流量控制是很難同時投自動化,如果支路流量更多,難度就更大。
最簡單的思路是參考恒壓供水,增加一個泵出口壓力控制回路。有的是增加泵回流和壓力測量,用壓力控制實現恒壓。這時候壓力控制要快一些,支路流量都要慢一些。
也可以將泵改為變頻泵并增加壓力測量,實現泵出口壓力控制。
實際上這個泵出口的壓力測量不是必須的。增加變頻后,在不改變支路流量控制的前提下,可以用閥位控制的思想實現變頻的優化。

這個方案現場用的并不多,實際使用這個方案有幾個細節需要注意:
1、XC101這個閥位控制的控制速度一定要比兩個支路流量控制回路慢。否則可能引起耦合振蕩;
2、兩個支路流量在設定值調整時仍存在耦合影響,參數整定時仍要有系統觀;
3、正常情況下,兩個調節閥都不會全開;
4、一般泵的能力是能夠滿足分支流量的需求的,但是如果泵的能力不夠時,兩個分支流量沒有優先級。
上述方案是一個多支路的通用解決方案,但是兩支路情況下還有其他解決方案。如下圖所示,還是兩個單回路,FC101改為用變頻泵控制,FCV-101全開,FC102仍用FCV-102控制。

選型合理時,這個控制方案就符合至簡至優的原則。但是極端情況下,兩個流量沒有優先級的概念,都有失控的可能。泵的能力不足FC101失控,偏流時FC102失控。實際工作中,FC102失控的可能性更高一些,那么如何保證FC102不失控呢?筆者想到了閥位控制和分程控制兩種方法,大家如果有其他方法也歡迎發表意見。
思來想去,多支路情況下還是下圖增加一個出口壓力控制更至簡至優,參數整定也容易很多。壓力控制要快一些,支路流量整定會容易很多。現場有8個支路同時工作的場景,用的就是這個解決方案。

一個泵兩個分支流量控制方案很有意思,看起來都是正確的。但是細節不對還是用不好。
一個至簡至優的控制方案應該是看起來簡單,用著也容易。從這個角度看,嵌套控制的方法也要謹慎使用,包括明顯的嵌套控制例如閥位控制和串級控制,和隱藏的嵌套控制。
增加新的儀表和控制往往能通過升維輕松解決問題,不過還是要多想想少花錢的解決方法。
作者:馮少輝博士
