YR-X101-J-K-W單路閃光報警器(光字牌)是昌暉儀表生產的閃光報警器中的一種,單點閃光報警器常用在變電站、水電廠、火電廠等使用單位的電氣儀表盤、高低壓電氣設備和GIS設備,電氣工程師常之稱為變電站光字牌、水電廠光字牌、火電廠光字牌等。
單路閃光報警器(光字牌)采用COMS集成電路技術設計,可配合各種檢測儀表監視現場觸點的變化情況。當檢測到報警信號時,YR-X101系列閃光報警器和音響報警信號配合,以引起操作人員的注意,及時排除故障。

特點
1、單路閃光報警器(光字牌)為卡入式安裝,可以方便拼裝成各種形式組成報警系統
2、單路閃光報警器(光字牌)為半導體平面發光器件,亮度高、色柔和、功耗低,并聯驅動,壽命長,且燈屏更換方便
3、光字牌內置蜂鳴器,并提供報警電平與繼電器接點信號輸出,方便外接外部報警設備
4、COMS集成電路,單點閃光報警器(光字牌)整機抗干擾能力極強
5、歐式連接端子,便于維護和操作
6、現場可任意選擇常開或常閉輸入方式
7、光字牌面板透明有機玻璃蓋可以拆卸,使用單位可在硫酸紙上做好需要提示報警的內容放入蓋內,然后將外蓋恢復原位及可直觀提示報警內容
8、光字牌電源常規供貨為DC24V,昌暉儀表制造有限公司也可以提供AC220V供電儀表(用戶訂貨或選型時特別說明+收費)


單回路閃光報警器(光字牌)外形及安裝方式
光字牌尺寸:80(寬)×40(高)×100(深)mm
光字牌開孔尺寸:66(寬)×35(深)mm
光字牌重量:240g
光字牌安裝方式:YR-SWP-X101單路閃光報警器可拼裝,亦可密集安裝
①單點閃光報警器密集安裝的開孔尺寸

單點閃光報警器密集安式裝示意圖

單點閃光報警器密集式安裝開孔尺寸
M=(40.5×m)-10
L=(80×n)-14
m:每列排列單路閃光報警器的個數
n:每行排列單路閃光報警器的個數
②單點閃光報警器(光字牌)點陣式安裝的開孔尺寸

單點閃光報警器(光字牌)點陣式安裝示意圖

單點閃光報警器點陣式安裝開孔尺寸
③單點閃光報警器條列式安裝的開孔尺寸

單點閃光報警器條列式安裝示意圖

單點閃光報警器條列式安裝開孔尺寸
L=(80×n)-14
n:每行排列閃光報警器的個數

單臺單路閃光報警器YR-X101-J-K-W接線圖

單點閃光報警器(光字牌)接線說明:
◆端子1和端子8:第1路輸入(無源接點輸入或TTL電平信號輸入)
◆端子3和端子8:接“消音”按鈕(無源接點輸入)
◆端子4和端子8:接“試驗”按鈕(無源接點輸入)
◆端子5和端子8:報警電平輸出,接音響報警器(有5V電壓輸出,用于高電平輸入的音響報警器)
◆端子6和端子7:報警無源接點輸出,接點用于其他儀表或接音響報警器(用于無源接點輸入的音響報警器)
◆端子9和端子10:光字牌電源(DC24V或AC220V,以訂貨時的要求為準)
單臺雙路閃光報警器YR-X102-J-K-W接線圖

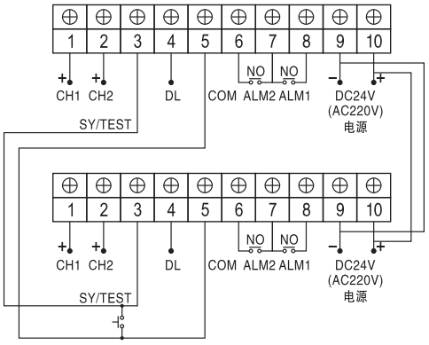
雙路閃光報警器(光字牌)接線說明:
◆端子1和端子5:第1路輸入(無源接點輸入或TTL電平信號輸入)
◆端子2和端子5:第2路輸入(無源接點輸入或TTL電平信號輸入)
◆端子3和端子5:接“消音/試驗”按鈕(無源接點輸入;按鈕按一下為“消音”,長按30秒為“試驗”)
◆端子4和端子5:報警電平輸出,接音響報警器(有5V電壓輸出,用于高電平輸入的音響報警器)
◆端子6和端子7:第2路CH2報警無源接點輸出,接點用于其他儀表或接音響報警器(用于無源接點輸入的音響報警器)
◆端子7和端子8:第1路CH1報警無源接點輸出,接點用于其他儀表或接音響報警器(用于無源接點輸入的音響報警器)
◆端子9和端子10:光字牌電源(DC24V或AC220V,以訂貨時的要求為準)
多臺單點閃光報警器接線圖

多臺雙點閃光報警器接線圖

單路/雙回路閃光報警器型譜表
YR-①②-③-④-⑤-⑥
①功能特征
[X]:聲光報警顯示
②代碼 控制作用
[101]:昌暉單點閃光報警器
[102]:昌暉雙點閃光報警器
③輸入方式
[J]:無源接電信號輸入
[D]:TTL電平信號輸入
④報警方式
[K]:繼電器報警輸出
⑤報警記憶功能
[省略]:無報警記憶功能
[M]:帶報警記憶功能
⑥供電電源
[W]:DC24V供電(標準出廠配置)
[T]:AC220V供電(定制生產/需要增加費用)
光字牌型號舉例
1、單點光字牌,無源接點信號輸入,有繼電器報警,DC24V供電
YR-X101-J-K-W
2、雙點光字牌,無源接點信號輸入,有繼電器報警,DC24V供電
YR-X102-J-K-W
3、單點光字牌,無源接點信號輸入,有繼電器報警,AC220V供電
YR-X101-J-K-T
4、雙點光字牌,無源接點信號輸入,有繼電器報警,AC220V供電
YR-X102-J-K-T
與昌暉單路光字牌功能一致的其他公司產品型號舉例
香港虹潤精密儀器有限公司:NHR-5821-J-K-D
香港上潤精密儀器有限公司:WP-B801-R-1-A-W
西安浐河自動化工程有限公司:XZS-31
北京東城自動化儀表:LF-XSSG-1-V1
西安紅航電力設備有限責任公司:XXS-201
