差壓式流量計由節流裝置、差壓變送器和三閥組配套而成,為方便儀表工和用戶深入了解差壓式流量計應用知識,本文以問答形式對差壓式流量計專業知識做詳細介紹。

1、孔板流量計為什么能獲得廣泛的應用?
節流裝置和差壓變送器配套組成的差壓式流量計,一般都有完整的供計算流量的數據。因此,差壓式流量計不經標定就可使用。其次,差壓式流量計變更流量測量范圍方便。只要變更差壓變送器的測量范圍或節流裝置的開孔直徑,就可使流量測量上限在較大范圍內變化。另外,與流體接觸的部分沒有運動部件,故不存在材料疲勞而引起的零漂,運動部件的干磨擦,卡滯等引起的故障,所以可靠性高。精度方面能滿足一般工業應用的要求。在諸多類型的節流裝置中,標準孔板成本低,占地小,互換性高,根據需要可做成插入式的。供計算流量的數據最完整。所以與標準孔板配套組成的差壓式流量計獲得了廣泛的應用。
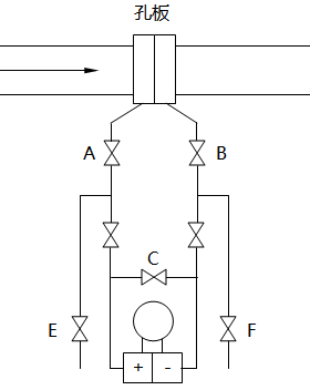
2、圖1為一差壓式流量測量系統引壓管線連接圖。如果閥C泄漏(內漏),E閥和F閥泄漏,A閥堵,B閥堵各會引起差壓變送器4-20mA輸出作何種變化?

C閥漏則差壓變送器輸出減小;A閥堵則差壓變送器示值反應遲鈍,輸出可能減小;B閥堵則差壓變送器示值反應遲鈍,輸出可能增加;E閥泄則差壓變送器示值小;F閥量漏則差壓變送器示值增加。
3、四分之一圓噴嘴有何優缺點?
四分之一圓噴嘴的特點是可用于測量雷諾數較低(在300-25000之間)的流體,因此一般用于高粘度流體的流量測量。與標準孔板相比,四分之一圓噴嘴加工更復雜。成本高于孔板,所以在標準孔板能夠勝任的場合,一般不采用四分之一圓噴嘴。
4、標準孔板上的疏液孔和疏氣孔有何用處?應怎樣開此小孔?
標準孔板在水平管線上安裝時,對攜帶液滴的氣體,為防止冷凝液在孔板前積聚,可在孔板底部開一個小孔,這個小孔與管道內圓相切。小孔直徑一般為2mm,最大不超過孔板銳孔直徑的10%。對含有氣體或蒸汽的液體,為防止氣體在孔板前積聚,可在孔板頂部開一個小孔,小孔直徑及與管道的關系同上。管道內徑小于100mm時,一般不開疏液孔和疏氣孔。
5、如何保持差壓式流量計引壓管的暢通?
①孔板閥、引壓管線內徑的選擇以及引壓管線的安裝坡度要符合規程,并且引壓管應定期進行排污、掃線。排污掃線周期根據被測介質的特性來確定;
②對于易結晶的介質應選用合適的隔離液予以隔離,對于高粘度和有污垢的介質,可用吹洗液保持對引壓管線的吹洗,預防堵塞。
③引壓管線中充滿水時,在冬季應對管線和儀表進行伴熱保溫,防止凍結。
6、節流裝置用密封墊片應如何制作?
①應根據介質的性質、溫度和壓力選擇合適的材質制作墊片。常用的有石棉橡膠板、聚四氟乙烯、柔性石墨等。
②節流裝置墊片的厚度要適合。環室與節流件之間的墊片厚度應不大于1mm;環室與法蘭之間和法蘭取壓的法蘭與孔板之間的墊片厚度,一般取3-5mm;
③墊片的外徑和內徑應合適,要求在夾緊后不突入管道內璧。因此制作時內徑應比管道內徑大2-3mm。
7、節流裝置導壓管切斷閥(孔板閥)為什么強調要采用閘閥?
①針閥的流路是呈“Z”形彎曲的,流通截面積也較小,當被測介質為液體時,引壓管線中的氣泡,很容易在彎曲處停留,以至影響差壓信號不失真地傳遞,出現測量系統的零點漂移,而閘閥則無此弊病。
②在被測介質含有污垢時,孔板閥處常易被堵塞,若孔板閥為針形閥,由于流路彎曲,很難在不停車的條件予以以疏通,而如果選用閘閥,則完全可以在不停車的條件下予以疏通。
8、常用節流裝置的安裝方向如何辨認?
①在帶有直管段的節流裝置上,可從直管段長度辨認安裝方向;介質流入端,直管段長;流出端直管段短;
②環室取壓或法蘭鉆孔取壓的節流裝置上,一般都帶有“+”、“-”標記。“+”為流入端,“-”為流出端;
③若節流裝置上標記模糊,則可從節流元件外形辨認:標準孔板有喇叭口的一側為流出端;另一側則為流入端。標準噴嘴或四分之一圓噴嘴,有圓弧曲面的一側為流入端,另一側為流出端。
9、節流件上的疏液孔或疏氣孔有何用途?孔板上的疏液孔安裝位置不正確有何危害?如果不對節流件開孔直徑進行修正,將會有何影響?應如何對節流件的開孔直徑進行修正?
①在水平管道上安裝的節流件,當測量氣體流量時,了防止液體積聚;當測量液體流量時,為了防止氣體或蒸汽積聚,故在節流件上打一個疏液孔或疏氣孔。
②疏液孔應設在節流件兩端面的下部。疏氣孔應設節流件兩端面的上部。如果安裝位置不當,容易引起節流件前的冷凝液或氣體排泄不暢,以致積液或積氣,使管道內流通截面積減小,引起較大誤差。
③疏液孔或疏氣孔的存在,使得出現一個不經節流件開孔的旁通流量流過節流件,從而引起誤差。可用下式對節流件開孔進行修正:

公式中d′為疏液孔或疏氣孔是節流件開孔直徑修正后的值(mm);d20為修正前20℃時節流件開孔直徑(mm);dn為疏液孔或疏氣孔直徑(mm)。
10、用現場如何改變差壓式流量計的測量范圍?
在使用現場改變差壓式流量計測量范圍的常用方法是變更差壓變送器測量范圍(若想縮小測量范圍還要先核對一下雷諾數是否在允許范圍之內)。一般來說,差壓測量范圍擴大或縮小一檔,流量測量范圍可相應擴大或縮小一檔。如果原有差壓變送器量程擴大或縮小有余地,則可以在使用現場變更差壓測量范圍。具體步驟如下:現將差壓變送器三閥組的閥門關死,再將正、負壓室排液針閥打開,讓被測介質放盡,并使負壓端通大氣,然后從正壓室排液口或排氣口接入壓力源,對差壓變送器進行校準。調節差壓變送器量程并配以零點調整,將差壓變送器測量范圍調整到需要數值。
作者:陳美麗
推薦閱讀
差壓式流量計簡介
差壓式流量計常用計算公式及計算實例
