根據《低壓配電設計規范》GB50054-2011要求,低壓配電系統有IT系統、TT系統、TN系統三種接地形式。電力儀表在本文介紹這三種接地系統的接地故障電流計算公式、接地故障電流計算方法和相應保護電器選擇。
1、TN接地系統接地故障電流計算與分析
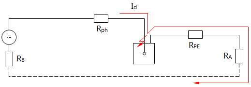
TN系統在用電端發生接地故障(以下統稱故障)時的等效電路圖如圖1所示。

圖1 TN系統故障時等效電路圖
說明:Rph為相導體電阻,mΩ;Xph為相導體電抗,mΩ;RPE為PE導體電阻,mΩ;XPE為PE導體電抗,mΩ;RB為變壓器中性點接地電阻,mΩ;Rs為變壓器低壓側內電阻,mΩ;Xs為變壓器低壓側內電抗,mΩ;Id為接地故障電流(交流方均根值),以下統稱故障電流,kA。
TN系統接地故障電流(Id)按以下計算
.............................公式1
公式1中:Unom為相導體對地標稱電壓,V;Rph?p為相保回路電阻,mΩ;Xph?p為相保回路電抗,mΩ;
為故障回路電阻、
為故障回路電抗,包括高壓側系統阻抗(歸算到低壓側)及變壓器、低壓母線、低壓線路相保電阻之和、電抗之和,mΩ。
當TN系統故障點離電源點(變壓器)距離較長,且PE導體和相導體共處于電纜內或穿于同一導管、線槽內時,可認為Xph?p遠小于Rph?p,可以忽略Xph?p,并且忽略變壓器低壓側內阻,TN系統接地故障電流計算公式1可簡化為公式2:
..........................公式2
應指出:
①當TN系統的線路截面積大(如相導體截面積在120mm2及以上)時,其電阻值較小,忽略電抗(X ph?p)將導致較大誤差。相導體截面積為 120mm2(PE導體為70mm2)時,忽略電抗,使Id增大了3%-4%;相導體截面積為150mm2時,Id增大了5%-6%;相導體截面積為185mm2時,Id增大了7%-8%。為此,我國電氣專家任元會建議對截面積為120mm2及以上的相導體,按公式計算的1d值乘以0.96-0.92的修正系數。
②當TN系統故障點離變壓器距離很小(發生的概率很小),變壓器容量小,線路截面積大時,忽略變壓器阻抗將導致很大誤差,不能用簡化公式簡化
計算,應按公式
計算,必須計入變壓器阻抗。當故障點離變壓器距離較短(如幾十米)時,可按公式
計算,但應乘以必要的修正系數。
③TN系統故障電流Id的大小,對選擇保護電器的參數至關重要。Id值大小取決于線路長度、截面積、敷設方式等因素,其值可達幾百至幾千安培,甚至更大。更應關注的是,線路很長導致Id值很小時,將使過電流保護電器不能在規定時間內動作,必須進行計算,在《用斷路器作故障防護時銅芯電纜最大允許長度》等文章闡述了故障防護要求和簡易的計算方法。
2、TT接地系統接地故障電流計算與分析
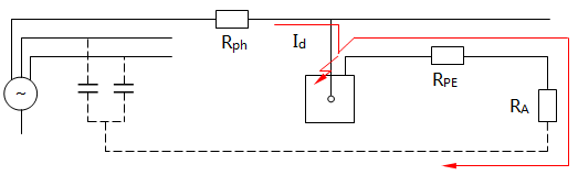
TT系統發生故障時的等效電路圖如圖2所示。

圖2 TT系統故障時等效電路圖(RA為Ⅰ類電氣設備和用電設備外露可導電部分的保護接地電阻,Ω)
TT系統接地故障電流(Id)按公式3計算(忽略電源阻抗和線路電抗):
......................公式3
通常,TT系統的(RA+RB)>>(Rph+RPE),公式3可簡化為公式4:
..............................................公式4
用于TT系統時,公式
中RA、RB單位以歐姆(Ω)計,故障電流Id以安培(A)計。
由于RA、RB阻值的限制,TT系統故障電流Id值一般僅為幾安培至幾十安培,比TN系統的故障電流小得多,一般情況下,使用過電流保護電器無法滿足切斷電源的要求,TT系統應采用剩余電流動作保護電器(RCD)作故障防護。
3、IT接地系統接地故障電流計算與分析
IT系統第一次故障時的等效電路圖如圖3所示。

圖3 IT系統第一次故障時等效電路圖
對于電源中性點不接地的IT系統,第一次故障時,故障電流只能通過非故障相線路和設備的對地電容形成回路,由于容抗大,此故障電流僅為毫安級。
鑒IT系統故障電流很小,IT系統可以“帶病”堅持工作,而不切斷電流;由于故障電流很小,故障點對地的接觸電壓很小,沒有電擊危險。
故障狀態繼續堅持工作并非正常狀態,因此IT系統應裝設絕緣監測器發出報警,提示使用、維護人員采取必要措施,以避免在故障狀態下“帶病”工作中再次發生故障。在此期間一旦再發生第二次異相接地故障,將導致相間(或相對中性導體間)短路,產生同TN系統或TT系統一樣的故障電流,此時切斷電源是不可避免的。
IT系統不宜配出N導體,即采用三相三線制。當配出N導體時,若發生N導體接地故障,將使IT系統變成TT系統,從而失去IT系統的優勢。我國電氣專家任元會指出,當采用了N導體接地故障的檢測報警裝置后,仍然可以采用三線四線制線路,這樣有利于為照明、插座回路、小電器提供相對地電壓(我國為220V)。
本文對低壓配電系統的接地短路電流計算做了簡單介紹,掌握這些知識,為電氣設計中選擇保護電器奠定基礎,同時電氣設計也離不開高性能電力儀表,歡迎您到http://zyswsm.com/product/list_78.html了解這些產品。
