單是第一眼看到這個方法,的確是一見鐘情了,非常簡易的方案,低功耗設計,將電路板集成在表筆中,簡約而不簡單。很難想象,這個是一個4位萬用表
M-Bus由德國Paderborn大學的Dr. Horst Ziegler與TI公司等機構共同開發,是一種專為計量儀表(如水表、電表、氣表、熱量表等)設計的“兩線制串行總線通信標準”,由歐洲標準EN13757定義,廣泛應用于遠程抄表和能源管理系統
NAMUR信號是由NAMUR(德國測量與控制技術協會)制定的一種用于工業過程自動化領域的低功耗、本質安全型模擬信號標準,主要用于連接現場儀表(如傳感器、執行器)與控制系統。本文介紹NAMUR信號的定義、技術特性和應用場景
導熱灌封膠在消費電子、儀器儀表、汽車等領域廣泛使用。本文分享導熱灌封膠成分、性能特點、分類和挑選方法等方面專業知識,供大家參考
Modbus功能碼是Modbus協議的核心指令集,用來告訴從站設備(Slave)具體執行什么操作。它們通常由一字節(8位)表示,范圍為0x01(1)到0x7F(127),其中常用的功能碼集中在0x01到0x10之間。功能碼分類清晰,既適用于讀(Read)操作,也支持寫(Write)操作
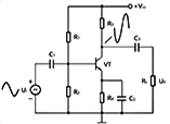
互補型自激振蕩電路的核心原理是通過互補晶體管對的交替導通/截止與電容充放電形成正反饋循環,實現持續振蕩。這種電路廣泛用于脈沖信號發生器和開關電源的時鐘模塊中?
實現RS485轉以太網的三種方法:使用RS485轉以太網模塊;通信協議網關;直接替換設備
數碼管在電子產品和數顯表中大量使用,儀表工掌握數碼管引腳識別及簡易檢測方法,在數顯表或電子產品數碼管顯示故障維修中更容易判斷故障所在
MODBUS協議的大小端問題不僅僅是一個技術細節,它關系到整個自動化系統的穩定性和效率。隨著技術的不斷進步,對這些基礎知識的掌握將為工程師和開發者提供強大的支持,使他們能夠構建更加智能、靈活和可靠的自動化解決方案。正確處理字節序,將為工業4.0時代的智能系統鋪平道路…
一個DTU模塊的接入設備數量并沒有絕對答案,其支持能力受多種技術參數及實際應用場景限制
RS485集線器就像是一個 “交通樞紐”,專門負責管理和疏導RS485總線網絡里的數據傳輸。RS485總線是一種常用的串行通信總線,能實現設備之間的遠距離、多節點通信。而RS485集線器呢,就是用來擴展RS485總線網絡的設備
工業4.0不是只用新設備,而是讓老設備也能跟上新節奏。通過MODBUS對接OPC UA,傳統工廠可以在低成本下邁向智能化。而隨著未來技術的發展,這種對接不僅是升級路徑,更是一種現實可行的數字化戰略
昌暉儀表網向您介紹旋轉編碼器并行輸出的應用知識,方便您正確使用旋轉編碼器。本文由http://zyswsm.com/提供
儀表電路板維修中經常需要進行電子元器件焊接和拆卸,儀表工必須掌握電路板電子元器件焊接和拆卸技巧,才能提高儀表維修質量。昌暉儀表在本文分享儀表電路板電子元器件焊接和拆卸技巧和經驗
Modbus是一種應用于電子控制器上通用的串行通信協議,廣泛應用于工業自動化領域。它允許不同廠商生產的控制設備與監控設備之間進行通信,實現數據的共享和交互。例如,在一個工廠的自動化生產線上,Modbus協議可以使得PLC(可編程邏輯控制器)與各種傳感器、執行器等設備之間進行…
終端電阻雖小,卻是RS485總線中不可忽視的關鍵部件。無論是設計階段還是調試過程中,都要記得:按標準在RS485總線兩端接入120歐終端電阻。尤其是長距離或多節點通信時,更要注意。想要穩定可靠的RS485總線,千萬別忽視那顆小小的終端電阻
運算放大器(Operational Amplifier,簡稱運放)是電子技術中的基礎組件之一,廣泛應用于信號處理、電壓比較、電源穩壓等多個領域。運放電路是由運算放大器組成的電路,這些運放電路五花八門,是大家學習模擬電子技術的一個重要內容,更是一個電子工程師必須掌握的電路之一。為大…
本文對GC7910A、GC7525B、GC7921、GC7922、TC8131/TC8129、DMS606A/C、S1C17M02/M03、ICL7106/ICL7107和WT588F02BP-14S等萬用表專用芯片做簡單介紹,希望對大家有所幫助
儀器儀表采用RS485半雙工模式主要是由于其電氣特性、多節點共享單一信號線的物理限制、成本與設計考量以及適配特定的應用場景。這種模式雖然在某些情況下限制了通信的雙向同時性,但在大多數工業應用中,RS485的半雙工通信已經足夠滿足需求,并且能夠提供穩定可靠的通信…
過程值超出測量范圍或變送器發生故障,變送器輸出信號應如何表現?建議使用Namur NE43,該規范提供了有關如何通過4-20mA信號向控制系統指示傳感器故障的指南 。因此,Namur NE43定義了正常工作范圍之外的兩個信號區域:①信號飽和(超出測量范圍);②硬件故障
DLT645通信協議之所以被稱為電力行業最專一的協議,是因為它專門為中國電力系統的計量需求量身定制,具有高度的專業化和適應性。它不僅滿足了國內電力計量的基本要求,還在性能、穩定性等方面表現出色
IO-Link是一種功能強大的通訊協議,主要用于與傳感器和執行器通訊。IO-Link允許交換三種類型的數據–流程數據、服務數據和事件。大多數傳感器制造商和工業制造公司都加入了國際IO-Link聯盟,以推廣IO-Link通訊協議。與標準IO相比,IO-Link具有許多優勢
功率型場效應管在開關電源中應用廣泛,又屬于關鍵器件,本篇就談談功率型場效應管原理以及如何測量并判斷其好壞
干接點和濕接點的提法儀表和電氣從業人員都不會陌生,那什么是干接點和濕接點?干接點和濕接點有什么區別?昌暉儀表在本文聊聊這個話題
工控一體機是專門為工廠和其他工業環境設計的一種超級耐用的電腦。它把普通電腦的所有部件,比如主機、顯示器、觸摸屏(有些型號有)、鍵盤等都集成到了一起,形成一個整體。這種電腦特別結實,能承受工業現場的各種惡劣條件,比如灰塵、震動和溫度變化
運算放大器是差分輸入、單端輸出的極高增益放大器,常用于高精度模擬電路,因此必須精確測量其性能。但在開環測量中,其開環增益可能高達107或更高,而拾取、雜散電流或塞貝克(熱電偶)效應可能會在放大器輸入端產生非常小的電壓,這樣誤差將難以避免
本文針對IEEE 1451系列標準進行了分析,結合WirelessHART無線通信技術,設計了符合IEEE 1451.5標準的通用智能傳感器接口軟件,實現了智能傳感器的無線組網、電子數據表格(TEDS)上傳、數據交換等功能
昌暉儀表結合案例分享儀表輻射發射測試步驟、輻射發射測試結果分析及展頻技術在輻射發射測試不合格項整改中的應用,對儀表工程師提升儀表電氣兼容性能的設計水平有很好借鑒作用
如果你在現場遇到過MODBUS串口通訊問題,那么MODBUS通訊現場的注意事項能幫你解決絕大多數現場MODBUS通訊問題
HART手操器對極性不敏感(無需區分正、負),取的是電壓信號。HART官網規范要求,為了產生對應的壓降所需要的電阻阻值最少要230Ω。大家常用的是250Ω的電阻。在現場應用中回路電阻能滿足要求時,無需串接電阻,但回路電阻不能滿足要求或離線校驗時,需要在回路中串接一個250Ω電…
對于MODBUS波特率的選擇,需要綜合考慮通信距離、通信介質、系統負載、設備兼容性、抗干擾能力和實際應用需求。并不是波特率越高越好,當然我們在項目上對接第三方設備的時候,最好是使用默認的波特率,雖然有些設備可以改波特率,但是官方推薦的肯定是經過驗證的,相對來說可…
繼電器通常由電磁元件、觸點元件兩部分組成。繼電器故障檢修也是從這兩方面入手的。1、電磁元件的故障及檢修電磁元件的故障主要在線圈及動、靜鐵芯部分。(1)線圈故障線圈故障通常有線圈絕緣損壞;受機械傷形成匝間短路或接地或者電源電壓過低,動、靜鐵芯接觸不嚴密,使通過…
通過采取適當的硬件設計及軟件算法相結合的方法,可以從多個角度提升RS485接口抗干擾性能。值得注意的是,在具體實施過程中還需根據實際應用場景靈活調整方案,確保所選措施既能滿足功能需求又能控制成本效益
RS485無極性通信技術是指在RS485通信標準的基礎上,發展出的一種不依賴于信號線A和B極性的通信方式。這種技術允許信號線的A和B兩條線反接,而不影響通信效果。無極性485芯片內置極性校正電路,上電后能夠自動檢測系統的總線極性,從而實現通信端口的極性自適應
Modbus是一種廣泛應用于工業自動化領域的通信協議,用于實現設備間的網絡通信。在數據傳輸過程中,選擇正確的字節序(即數據的排列方式)至關重要。本文將探討Modbus協議中大端模式(Big-Endian)和小端模式(Little-Endian)的選擇及其影響因素
工業物聯網和工業互聯網的區別主要從概念內涵、技術側重點和應用場景三個方面對比來看。1、概念內涵工業物聯網側重于物與物之間的連接和通信,主要利用傳感器、RFID 等技術實現工業設備之間的數據采集和交互,重點在于對設備狀態、生產環境等物理世界的數據感知和監測。例如在…
以太網是工業自動化經常使用的一種通信接口,有時候會發生通信不上的情況,這個時候可以使用PING功能,測試設備硬件和IP是否有問題,操作如下:1、首先在計算機已上網狀態下按電腦的WIN+R按鈕,彈出“運行”界面,在該界面的對話框中輸入“CMD”,然后確定。2、然后在運行界面…
Modbus RTU和Modbus TCP都是工業自動化中廣泛使用的通信協議。雖然它們的作用相同,但它們的差異使它們或多或少適用于不同的應用程序。在兩者之間進行選擇時,必須考慮速度、距離、網絡大小、成本和與現有設備的兼容性等因素。最終,正確的選擇將取決于工業自動化項目的具體要…
特率和比特率雖然都是衡量數據傳輸速度的單位,有時兩者在數值上是相同的容易混淆,但它們在衡量對象、含義以及應用場景等方面存在顯著差異,了解這些差異有助于我們更好地理解和應用這兩個概念
每次聽到別人說RS485通信協議,就很想去糾正他RS485是一種接口標準而不是通信協議。本文跟大家聊聊關于RS485的那些事
自從發現了三極管的放大作用,并不滿足對直流信號的放大,而后才有了交流信號的放大。有了交流放大電路作為基礎,才有了后面的共基、共射、共集三種放大電路。不難理解,仍然屬于在原有基礎上的拓展與創新
信號可定義為傳載信息的函數,其自變量常取時間。其中,時間與幅值的取值方式均分為連續與離散兩種,因此,組合起來,信號常分為以下四類:①連續時間信號;②模擬信號;③離散時間信號;④數字信號
波特率表示單位時間內傳送的碼元符號的個數,它是對符號傳輸速率的一種度量,它用單位時間內載波調制狀態改變的次數來表示,也可以理解為每秒鐘傳送的符號(碼元)數量,它直接決定了數據傳輸的速度
在現代工業自動化和精密控制領域,光繼電器(PhotoelectricRelay)以其獨特的光電轉換機制,成為了連接傳統電氣控制與現代光電技術的橋梁。光繼電器,作為一種利用光信號控制電路開關的裝置,不僅繼承了傳統繼電器的功能,更在響應速度、隔離性能、壽命和可靠性等方面展現出顯著…
RC吸收電路基本作用原理是,把R和C相串聯后再并聯在繼電器觸點的兩端。使電感中的能量不通過觸點而通過RC;它只吸收觸點斷開時產生的自感電勢RC消火花電路基本作用原理是,把R和C相串聯后再并聯在繼電器觸點的兩端。使電感中的能量不通過觸點而通過RC;它只吸收觸點斷開時產生…
光耦合器,通常簡稱為光耦,是一種使用光信號進行電氣隔離的半導體器件。它結合了發光和接收光信號的能力,實現了輸入與輸出間的非接觸式傳輸,保護了電氣系統免受高電壓沖擊和噪聲的影響。昌暉儀表在本文探討光耦的工作原理、類型、應用、設計注意事項以及未來趨勢
HART是一種工業界廣泛認可的結合模擬和數字通信的標準協議。在過程主變量通過4-20mA模擬通道傳輸的同時,允許更多過程變量和故障診斷信息等通過使用Bell 202頻移鍵控(FSK)疊加在模擬信號上的數字通道進行通信。在使用HART通信時,可能被提到的變量分配或通道配置都是指的為PV、…
作為將機械運動轉換為電信號的器件,編碼器可為工程師提供位置、速度、距離和方向等基本數據,用以優化整個系統的性能。光學式、磁式和電容式是可供工程師使用的三種主要編碼器技術。本文將概述光學式、磁式和電容式三種編碼器技術,并且略述各種技術的利弊權衡
模擬信號與數字信號的區別主要體現在它們的表示方式(連續與離散)、精度(無限與有限)以及處理方式上。模擬信號能夠更準確地表示實際的物理量,但難以度量且容易受噪聲的干擾;而數字信號雖然在表示連續信息時可能不夠精確,但其抗噪聲能力強,且便于邏輯操作和處理
本文針對天然氣凈化領域中的HART儀表集中管理、故障智能診斷以及在線調校的需求,提出了基于分散控制系統(DCS)的HART儀表及控制回路故障智能診斷管理系統的設計與實現方法