文章以《深度了解固態繼電器原理、分類、選擇、使用和維護》為題,昌暉儀表也力求內容充實詳盡,但很多內容深入程度不夠,對儀表工和電工使用和了解固態繼電器還是很有幫助。

固態繼電器工作原理
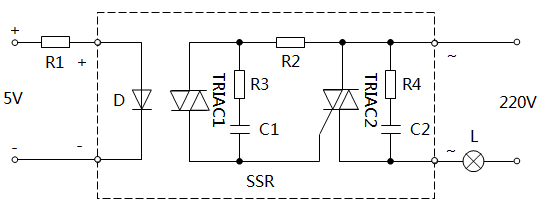
固態繼電器按負載類型可分為交流型AC-SSR)和直流型(DC-SSR)兩類。它們分別用在交流或直流電源上做負載的開關,不能混用。昌暉儀表僅介紹最常用的交流固態繼電器。交流固態繼電器外形及原理如圖1所示,從圖可看出它是一種四端有源器件,有兩個輸入控制端,兩個輸出受控端。它既有放大驅動作用,又有隔離作用。它采用光電隔離器對輸入輸出之間進行電氣隔離。在輸入端加上直流或脈沖信號,輸出端就能從關斷狀態轉變成導通狀態(無信號時呈阻斷狀態),從而控制較大負載。

固態繼電器分類
交流固體繼電器按開關方式分有電壓過零導通型(簡稱過零型)和隨機導通型(簡稱隨機型);按輸出開關元件分有雙向可控硅輸出型(普通型)和單向可控硅反并聯型(增強型);按安裝方式分有印刷線路板上用的針插式(自然冷卻,不必帶散熱器)和固定在金屬底板上的裝置式(靠散熱器冷卻);另外輸入端又有寬范圍輸入(DC3-32V)的恒流源型和串電阻限流型等。
①過零型與隨機型固態繼電器的區別
當輸入端施加有效的控制信號時,隨機型固態繼電器輸出端立即導通(速度為微秒級),而過零型固態繼電器則要等到負載電壓過零區域(約±15V)時才開啟導通。當輸入端撤消控制信號后,過零型和隨機型固態繼電器均在小于維持電流時關斷。雖然過零型固態繼電器有可能造成最大半個周期的延時,但卻減少了對負載的沖擊和產生的射頻干擾,成為理想的開關器件,在“單刀單擲”的開關場合中應用最為廣泛。隨機型固態繼電器的特點是反應速度快,它可以控制移相觸發脈沖達到方便地改變交流電網電壓,從而應用于精確地調溫、調光等阻性負載及部分感性負載場合。
②雙向可控硅輸出的普通型與單向可控硅反并聯輸出的增強型的區別
在感性負載的場合,當SSR由通態關斷時,由于電流、電壓的相位不一致,將產生一個很大的電壓上升率dv/dt(換向dv/dt)加在雙向可控硅兩端,如此值超過雙向可控硅的換向dv/dt指標(典型值為10V/μs)則將導致延時關斷,甚至失敗。而單向可控硅為單極性工作狀態,只受靜態電壓上升率dv/dt(典型值為100V/μs)影響,由兩只單向可控硅反并聯構成的增強型SSR比由一只雙向可控硅構成的普通型SSR的換向dv/dt有了很大提高,因此在感性或容性負載場合宜選取增強型SSR。
固態繼電器使用場合
固體繼電器目前已廣泛應用于計算機外圍接口裝置,電爐加熱恒溫系統,數控機械,遙控系統、工業自動化裝置;信號燈、閃爍器、照明舞臺燈光控制系統;儀器儀表、醫療器械、復印機、自動洗衣機;自動消防,保安系統,以及作為電網功率因素補償的電力電容的切換開關等等,另外在化工、煤礦等需防爆、防潮、防腐蝕場合中都有大量使用。
固態繼電器優缺點
固體繼電器工作可靠,壽命長,無噪聲,無火花,無電磁干擾,開關速度快,抗干擾能力強,且體積小,耐沖擊,耐振蕩,防爆、防潮、防腐蝕、能與TTL、DTL、HTL等邏輯電路兼容,以微小的控制信號達到直接驅動大電流負載。主要不足是存在通態壓降(需相應散熱措施),有斷態漏電流,交直流不能通用,觸點組數少,另外過電流、過電壓及電壓上升率、電流上升率等指標差。
交流固態繼電器基本性能測試電路
一般情況下,萬用表不能判別SSR 的好壞,正確的方法采用圖2的測試電路:當輸入電流為零時,電壓表測出的電壓為電網電壓,電燈不亮(燈泡功率須25W以上);當輸入電流達到一定值以后,電燈亮,電壓表測出的電壓為 SSR 導通壓降(在3V以下)。(請初次使用者務必注意:因SSR內部有RC回路而帶來漏電流,因此不能等同于普通觸點式的繼電器、接觸器,請參考后面的注意事項)。

固態繼電器的選擇
固態繼電器型號命名尚未統一,選型時要參閱廠家的說明書,在參數選擇時應考慮如下條件。
①額定輸入電壓
是指在給定條件下能承受的穩態阻性負載的最大允許電壓有效值。用于感性負載時,所選額定輸入電壓必須大于兩倍電源電壓值,所選產品的擊穿電壓應高于負載電源電壓峰值的兩倍。交流負載為220V的阻性負載,可選用220V電壓等級的SSR;交流負載為220V的感性負載或交流負載為380V的阻性負載,可選用380V電壓等級的SSR;交流負載為380V的感性負載,可選用480V電壓等級的SSR;電動機正反轉可選用480V電壓等級的 SSR;頻繁啟動的單相或三相電機負載,可選用660~800V電壓等級的SSR。
②額定輸出電流和浪涌電流
額定輸出電流是指在給定條件下(環境溫度、額定電壓、功率因素、有無散熱器等)所能承受的最大電流有效值。固態繼電器對溫度的敏感性很強,工作溫度超過標稱值后,必須降額或外加散熱器使用,通常廠家都提供熱降額曲線。
浪涌電流是指在給定條件下(環境溫度、額定電壓、額定電流和持續的時間等)不會造成永久性損壞所允許的最大非重復性峰值電流。阻性負載,SSR可全額或降額10%使用。電加熱器、接觸器接通瞬間的浪涌電流可達穩態電流的3倍,SSR應降額20%~30%使用。
固態繼電器的使用及維護
固態繼電器接線時不要把輸人、輸出端接反。使用中要注意如下事項。
①浪涌電流對 SSR的影響 所有的負載工作時都有浪涌電流,如電加熱元件是純電阻性負載,具有正溫度系數,低溫時電阻較小,初始通電時電流就較大。如果SSR內部的熱量來不及散發,可能會使晶閘管損壞,選擇SSR時要留有一定的電流余量。使用電阻、電熱負載時SSR的電流等級應大于負載額定電流2-2.5倍。
②使用環境溫度的影響 固態繼電器的負載能力受環境溫度和自身溫升的影響較大,使用中要有良好的散熱條件,額定工作電流在10A以上的SSR應配散熱器,100A以上的SSR應配散熱器加風扇強冷。安裝時要注意SSR底部與散熱器的良好接觸,并應涂導熱硅脂。長期工作在40-80℃狀態下的SSR應對電流等級進行降額使用。
③過流、過壓保護措施 過流和負載短路會造成SSR永久損壞,應在控制回路中設置快速熔斷器和空氣開關進行保護,可在SSR輸出端并聯RC吸收回路和壓敏電阻進行保護。
④輸入回路信號
如果輸入電壓或輸入電流超過了規定,可在輸入端串聯分壓電阻或在輸入端并聯分流電阻,使輸入信號合乎SSR的要求。輸入信號線應遠離電磁干擾源,以防誤動作。
固態繼電器的驅動信號通常來自溫控器或者移相觸發器,如果要熟練使用固態繼電器,您應該前往溫控器或者移相觸發器產品頁面深入了解這兩種與固態繼電器配套產品及接線等方面知識!

溫控器 移相觸發器
